Заключить договор

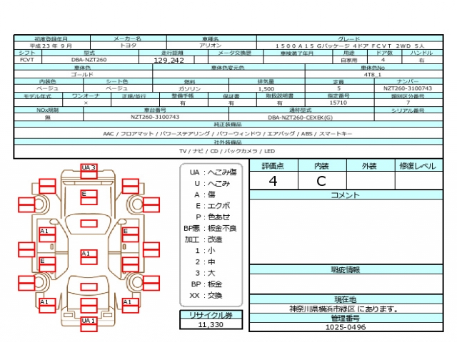
TOYOTA ALLION - лот 55489

Kyouyuu Stock

Лот 55489

17.06.2024

Определение даты выпуска
Дополнительные данные

Стартовая цена: 898 000 JPY

Похожие автомобили в статистике продаж Купить TOYOTA ALLION (все предложения)
Похожие автомобили на аукционе Все аукционы TOYOTA ALLION
TOYOTA ALLION, 2019
  • Кузов: NZT260
  • Пробег: 27000
  • Обьем: 1500
  • Год: 2019
  • Оценка: 3.5
  • Кпп: AT
TOYOTA ALLION, 2010
  • Кузов: NZT260
  • Пробег: 188000
  • Обьем: 1500
  • Год: 2010
  • Оценка: 3.5
  • Кпп: FA
TOYOTA ALLION, 2018
  • Кузов: NZT260
  • Пробег: 88000
  • Обьем: 1500
  • Год: 2018
  • Оценка: 4
  • Кпп: AT
TOYOTA ALLION, 2021
  • Кузов: NZT260
  • Пробег: 69000
  • Обьем: 1500
  • Год: 2021
  • Оценка: 4
  • Кпп: AT