Заключить договор

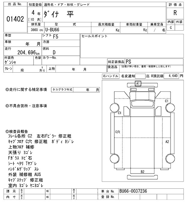
TOYOTA DYNA - лот 1402

ARAI Oyama VT

Лот 1402

13.12.2025

Цена в Японии
1 235 000 JPY

Итоговая цена (до 160 л.с.):
844 712 RUB

Определение даты выпуска
Дополнительные данные

Стартовая цена: 0 JPY

Похожие автомобили в статистике продаж Купить TOYOTA DYNA (все предложения)